基於SIM900的GPRS電能表遠端預付費採集模組設計與應用
王子鋒
安科瑞電氣股份有限公司 上海嘉定 201801
摘要:針對國網GPRS三相智慧電能表遠端抄表的應用,使用SIM900A並配合Coretex-M3 ARM處理器設計了GPRS遠端資料採集模組,以實現GPRS遠端抄控。遠端採集模組內嵌了RTX實時作業系統,並設計了完整的資料採集、儲存策略,以及遠端控制和異常事件預警等功能;同時,採集模組實現了Q/GDW1376.1協議的上行通訊通道和支援DL/T645-2007協議的下行採集通道,能夠實現與遠端主站的通訊和現場電能表的抄控。經過軟體協議的一致性測試,遠端採集模組實現了1376.1協議的一類實時資料64項、二類凍結資料69項和三類報警事件資料2項,具備了國網採集終端裝置的必要功能。
關鍵詞:SIM900A;Coretex-M3;採集模組;Q/GDW1376.1;電能表
0引言
隨著計算機系統應用的普及,國內電能計量抄表領域,已經逐步進入自動抄表時代。電力公司對於居民使用者的電能抄表,更多使用採集主站-智慧集中器/採集終端-遠端電能表的部署結構,但對於高等學校、大型工礦等企事業單位,能夠使用帶遠端費控功能的GPRS三相智慧電能表,並直接對聯採集主站,其結構和成本更加優越。針對電力公司GPRS三相智慧電能表的應用,設計了採用SIM900A並配合ARM Coretex-M3處理器的遠端資料採集模組。採集模組集成了Q/GDW1376.1-2013主站上行協議和電能表DL/T645-2007下行協議,能夠對接採集主站並抄收電能表資料。採集模組實現了完整的電能表資料採集、遠端費控、異常預警,以及相關的資料儲存、協議處理,具備了國網採集終端的必要功能。
1 採集模組總體結構
GPRS電能表遠端採集模組由SIM900A通訊子模組、STM32F103RC處理器及其RTX實時作業系統組成。遠端採集模組的總體結構如圖1所示。上行通道為一路支援1376.1的GPRS鏈路;維護通道為38KHz的紅外介面;下行通道具備一路本地UART抄表介面和一路擴充套件的RS485抄表介面,其中本地基表的測量點定義為pn0,擴充套件抄表介面的測量點定義為pn1-15,即遠端採集模組具備抄收16個測量點的能力。
圖1 系統總體結構
2硬體設計
STM32F103RC的執行頻率72MHz,並具備90DMIPS的處理效能,其整合SPI、I2C、UART等高效能工業標準介面,內嵌了可使用外部獨立32.768KHz晶體振盪器的日曆RTC,以及包括多達7個定時器、2個12位ADC模數轉換器和支援ISO7816序列介面等標準外設,可以滿足多種工業儀表的應用。
圖2 STM32F103RC核心板原理圖
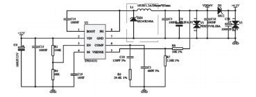
採集模組的核心板主要由STM32F103RC和32Mbit的支援高速儲存操作的SPI介面DataFlash AT45DB321D構成,並使用了STM32內嵌的RTC日曆時鐘,其中RTC由獨立的32.768KHz晶振提供時基,且由鋰電池提供備用供電。SIM900A通訊子模組的GSM/GPRS工作頻率為850/900/1800/1900MHz,它採用工業標準介面,可以低功耗地實現語音、資料和SMS的傳輸。SIM900A內嵌了TCP/IP協議,並可以使用UART非同步串列埠與STM32主機MCU通訊,這使得GPRS子模組和STM32主MPU之間的互聯十分簡單。圖3所示的是SIM900A的原理圖設計,為保證SIM900A的器件安全,設計上對SIM卡座介面配備了獨立的ESDA6V1W5,以實現靜電防護。圖3 SIM900A GPRS通訊模組原理圖(參見右欄)根據國家電網遠端電能表規範,三相無線電能表作為GPRS採集模組的基表,向遠端採集模組提供供電電源。基表所提供的模擬部分供電電壓為13.5V±1.5V。考慮STM32F103的核心電壓為3.3V,SIM900A通訊子模組供電電壓4.1V,以及考慮到GPRS模組的發射電流峰值高達2A,因此,為保證SIM900A、STM32F103 MCU的正常工作,設計使用了3A的TPS54331 DC-DC降壓晶片。圖4所示的是12V至4.1V的DC-DC電源電路。
圖3 SIM900A GPRS通訊模組原理圖
圖4 TPS54331 DC-DC降壓電路
因為TLV1117LV33 LDO能夠在1A電流下實現僅455mV的超低壓差損失,所以STM32處理器的3.3V供電電源,可以直接使用該超低壓差LDO,由4.1V直接LDO降壓至3.3V。此外,為了保證電能表掉電後,遠端採集模組的RTC日曆仍能夠正常計時,同時也為了確保在遠端採集模組掉電的瞬間,GPRS仍能夠向遠端後臺主站傳送掉電事件及報警等必要的互動資訊,遠端採集模組採用了可充電的鋰電池作為系統的後備電源。GPRS遠端採集模組外接了一個3.7V充電鋰電池,作為系統掉電後的備用電池。後備鋰電池直接使用4.1V進行限流充電;同時,為防止鋰電池的過充電,STM32F103處理器透過ADC通道實時地監視鋰電池的端電壓,以便在電池端電壓低於3.6V時開啟充電,並在端電壓達到4.1V時關閉充電開關。圖5所示的是3.3V電源的LDO電路,圖6所示的是鋰電池的充電和監視電路,鋰電池的充電電源開關由PMOS管SI2301承擔。
圖5 TLV1117LV33 3.3V LDO電路
圖6 鋰電池充電與電壓監視電路
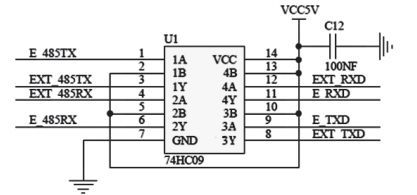
為保證GPRS遠端採集模組與基表介面5V TTL電平的匹配,國網遠端電能表型式規範明確了基表亦需要向遠端模組提供電壓為5V±5%的數字部分電源,並與模擬電源共地,用以提供電平匹配與隔離器件的+5V供電。由於STM32F103處理器的UART1、UART3和UART4引腳,都可以相容5V的TTL電平,所以採集模組與電能表通訊介面的電平匹配電路比較簡單。圖7所示的是遠端採集模組與基表的採集串列埠/外部RS485擴充套件串列埠的電平匹配電路圖。隔離緩衝器74HC09使用+5V供電,直接實現採集模組與基表介面的+5V TTL電平的匹配,而74HC09與MCU的介面的電平匹配,則由處理器STM32F103相容5V TTL電平的特性進行保證。
圖7 電能採集串列埠的+5V TTL電平匹配
由於STM32F103RC核心板、SIM900A子模組和SIM卡座的面積均較大,受限於國網GPRS三相電能表右模組盒的尺寸,將MCU核心板佈置於PCB的一面,SIM900A和SIM卡座佈置於另一面,採用雙面元件佈局的PCB設計如圖8所示。圖8 遠端採集模組的PCB佈局(SIM900A面)。
3軟體設計
GPRS遠端採集模組的嵌入式軟體,使用了STM32處理器keil開發平臺所整合的RTX實時作業系統。根據遠端採集模組的功能要求,設計了電能表DL/T645通訊收發任務(優先順序1)、GPRS Q/GDW1376.1通訊任務(優先順序2)、自動抄表機制與輪詢任務(優先順序3)、38KHz紅外串列埠收發任務 (優先順序4)、1376.1協議解析與組幀任務(優先順序5)、伺服器/客戶機心跳任務(優先順序6)和STM32 RTC日曆(優先順序7),共7個任務。GPRS遠端採集模組的主程式執行流程如圖9所示。
圖8 遠端採集模組的PCB佈局
圖9 STM32主程式執行圖
main( )主程式首先執行MCU核心時鐘的配置,其中MCU核心運行於72MHz,低速外設匯流排運行於36MHz,接著配置GPIO埠、中斷向量、RTC日曆、ADC、SPI、UART和PWM串列埠等外設,並初始化採集模組的資料儲存,呼叫RTX任務排程模組,將MCU系統資源交由實時作業系統控制,進入多工排程/執行狀態。圖10所示的是GPRS通訊任務中,SIM900A在TCP/IP模式下的資料傳送流程。圖10SIM900A TCP/IP模式下的資料傳送遠端採集模組的SIM900A工作於TCP/IP模式,當資料需要遠傳發送時,1376.1協議解析與組幀任務(優先順序5)透過設定GPRS傳送任務訊號量,在RTX實時作業系統的排程下,搶佔式地實時觸發了GPRS通訊任務(優先順序2)的執行,並由GPRS通訊任務執行從1376.1協議幀的臨時緩衝區中讀取待發送的1376.1協議幀的報文,透過UART1實現資料傳送。
圖10 SIM900A TCP/IP模式下的資料傳送
4 實驗驗證
GPRS遠端採集模組的測試基表為森暉研發部A22網路電能表,其下行協議支援電能表DL/T645-2007;硬體測試裝置為脈衝群EFT發生器、靜電發生器;測試主站使用國網採集終端1376.1協議一致性測試軟體。硬體實驗:4KV快速脈衝群抗干擾度試驗時,A22基表液晶螢幕微微抖動,出現逆相序符號,GPRS遠端採集模組工作正常;15KV空氣放電抗干擾度試驗時,A22基表會復位,但A22基表和GPRS遠端採集模組均可以在復位後自行恢復並正常工作;此外,GPRS遠端採集模組線上狀態時的功耗為1.4W,與公網進行交換資料時的功耗為2W。協議一致性測試:按照國電網1376.1上行協議規範,使用國網採集終端協議一致性測試軟體共向GPRS遠端採集模組召測了一類實時資料64項,二類歷史凍結資料69項,三類報警事件資料2項,其中所召測的一類實時資料63項、二類歷史凍結資料69項,三類報警事件資料資料2項,均能夠在10秒內成功返回。召測資料項的具體統計情況如表1所示。
綜上,經硬體試驗和1376.1協議幀的一致性測試,遠端採集模組的設計,滿足了GPRS三相智慧電能表遠端採集、儲存和通訊的設計需求。
表1 Q/GDW1376.1測試資料項及響應的統計表
注:一類實時資料第F27項的電能表日曆時鐘及電能表狀態資訊,因GPRS遠端採集模組需要多次實時訪問A22基表並由GPRS採集模組合併、組幀和上報,耗費了額外時間,需15秒才能應答返回
5安科瑞AcrelCloud-3200預付費水電雲平臺
5.1 系統方案
系統為B/S架構,主要包括前端管理網站和後臺集抄服務,配合公司的預付費電錶DDSY1352和DTSY1352系列以及多使用者計量箱ADF300L系列,實現電能計量和電費管理等功能。另外可以選配遠傳閥控水錶組成水電一體預付費系統,達到先交費後用水的目的,剩餘水量用完自動關閥。
5.2 系統功能
AcrelCloud-3200預付費水電雲平臺由雲平臺-閘道器-預付費電能表組成,透過通訊網路完成系統到表的充值、查詢、監控、控制及簡訊報警等功能。
本系統適用於一些大集團和大物業,往往需要將多個物業環境、分散於各地的物業集中式收費和管理,面臨著資料公網傳輸,財務操作分散,線上支付,總部財務扎口等複雜的需求。
遠端集中抄表:抄表資訊透過閘道器實時上傳到雲平臺,快速便捷,免去人工抄表 。
水錶預付費:可是檢視某區域水錶的實時狀態資訊,並可以進行單表或批次設定水價控閥等操作。
遠端售電:財務集中管理,電量實時下發,並比對充值次數,方便快捷。
能耗分析:使用者和管理員都可查詢預付費表或管控表每天的用能狀況;可提供能耗分析+財務軌跡一體式綜合管理報表,包含使用者表的能耗、財務資料、能耗和財務的期初期末值等資料。
線上支付:商戶可以透過小程式或者微信公眾號實現線上自助充值水電費,也可以實時關注商鋪用水用電情況。
簡訊提醒:金額不足或金額欠費提醒、電錶充值到賬提醒,都可及時簡訊通知商戶。
遠端控制:可對任意一塊電錶執行遠端拉閘或保電等一系列遠端控制操作,方便管理。
5.3 產品選型
6結束語
得益於SIM900A的穩定性和完備的TCP/IP協議棧,以及Coretex-M3處理器STM32F103RC的卓越效能,內嵌了RTX實時作業系統的GPRS電能表遠端採集模組,實現了國網採集終端基本的一類資料、二類資料的採集/儲存功能,並實現了三類異常事件的預警和掉電保護措施,以及必要的遠端控制能力。遠端採集模組具備了國網GPRS採集終端的必要功能。
【參考文獻】
【1】甘振華.基於SIM900A的GPRS電能表遠端採集模組設計
【2】徐昊,劉友安. 電能計量與遠端抄表應用研究[J]. 華中電力,2010,23(4):72-75.
【3】安科瑞企業微電網設計與應用手冊.2020.06
