很多初中生朋友們在學習電學時總會遇到這樣或者那樣的難題,對於認真思考、努力地主動學習的多數學生們來說,初中物理並不會成為中考的一個太大障礙,但是對於很多自主性比較差一些,做題又不太多、平時又不太喜歡歸納的同學來說,物理一定會成為一個難以逾越的學科。
其實,只要學習得法,物理並不難學,比如電學知識,在掌握課本知識和方法的基礎上,完全可以在平時透過多歸納總結,達到快速提高成績的目的。
比如今天要總結的一個初中物理難題,此難題甚至影響了不少初中生,直到中考那天甚至都沒有真正學會。
然而,實際上,此問題只要參透本質,透過各種題型看穿背後的真相,一切相關的綜合題型都變得簡單易懂。
此問題就是“滑動變阻器及其相關應用”!
有些初中生從一開始就沒有用心學習,導致一個最基本也最關鍵的問題沒有得到解決,結果造成了極其深遠的中考障礙!
今天,我們就透過五張歸納圖,一舉解決此問題,幫助這部分內容學習有障礙的初中生朋友們順利渡過難關!
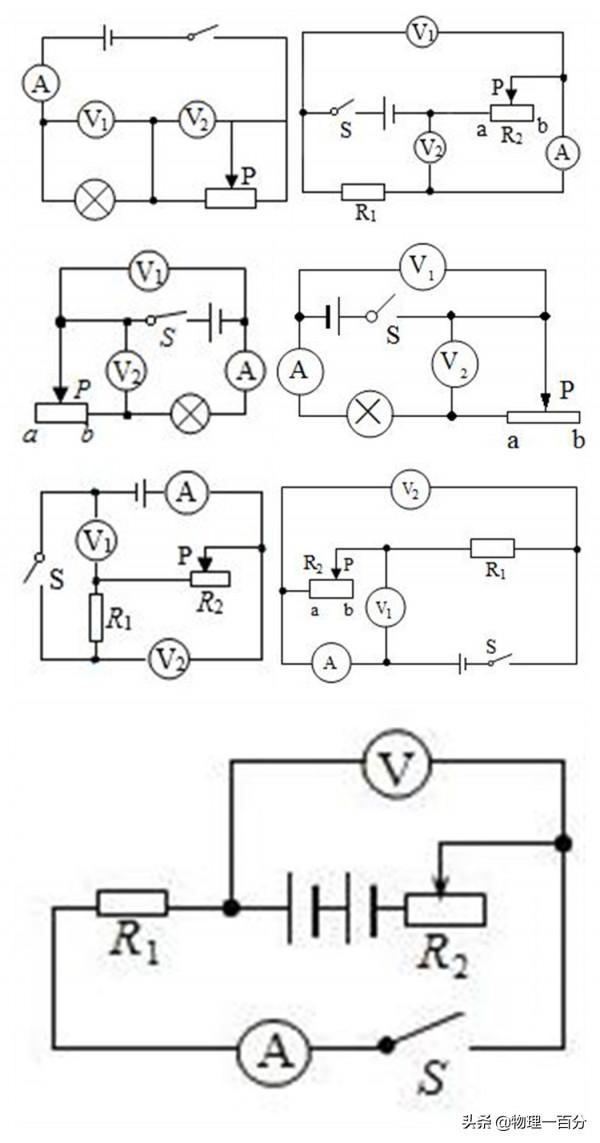
前兩張歸納圖:滑動變阻器的原理與連線方式及其變形應用!
透過上面這兩張圖,我們對滑動變阻器的物理原理一目瞭然!
涉及相關物理知識如下:
1.所謂的滑動變阻器,其原理就是透過改變連入電路中的電阻絲的長度改變阻值大小!
2.滑動變阻器的六種接法中,只有“一上一下”連線才能改變阻值,而且阻值大小取決於滑片與下接線柱之間的電阻絲長度!
當滑片遠離導線所連線的下接線柱時,阻值變大;當滑片距離導線所連線的下接線柱最遠時,阻值最大!
當滑片遠離導線所連線的下接線柱時,阻值變大;當滑片距離導線所連線的下接線柱最近時,阻值最小!
3.關於電位器,其三個接線孔中的中間接線孔相當於滑動變阻器中的下接線柱!與真正的滑動變阻器所不同的是,電位器的“下接線柱”只有一個!如果連線另外兩個接線孔,則不論是順時針轉還是逆時針轉,阻值都不變!
4.另外,有一種極其常考,且和生活應用相關的題型:利用與滑動變阻器相併聯或者串聯的電壓表、電流表做成的“油量表、電子地磅、側重儀、身高儀、測風儀……”其實都是滑動板變阻器的阻值變化引起電錶變化的典型應用。
第三張歸納圖:真假滑動變阻器引起的電路動態變化及其應用!
所謂的真滑動變阻器,就是當“滑片”移動時,滑動變阻器的阻值會發生變化!
所謂的假滑動變阻器,就是當“滑片”移動時,此假“滑動變阻器”的阻值會發生變化!
如上圖所示,一定要看清假滑動變阻器之所以是假的,主要是因為電壓表相當於斷路,當滑片移動時,經過滑動變阻器的電流完整的經過了全部電阻絲的,就是假的,否則就是真的!
第四張歸納圖:串聯電路中滑動變阻器的作用及其所引起的電路動態變化問題!
關於此類問題,屬於中考常考題型之一,此類題除了要辨別出電路是串聯之外,還要識別出電流表的測量物件、電壓表的測量物件,再就是今天所說的滑動變阻器的阻值變化!
在串聯電路中,如果在判斷滑動變阻器的阻值變化問題時總是出錯,可以養成畫出電流所流過的路徑的習慣!這樣就可以一眼看出滑動變阻器的阻值變大或者變小!
如上面這七個圖,全部都是歷年中考物理題中的插圖,我們根本不需要看原題,只需要看這些圖,就能想得出來所要考查的知識,因為,關於此類題,我們只要把串聯的電路全部放在一起,就能在最短時間內歸納出此類題做法,從而做到徹底避免犯錯!
第五張歸納圖:並聯電路中滑動變阻器的作用及其所引起的電路動態變化問題!
上面這張歸納圖其實包含了六道歷年中考物理真題!
其實,當我們看到並聯電路中的滑動變阻器所引起的電路動態變化問題時,應該非常高興!
為什麼這麼說呢?
這是因為,初中物理題所涉及的電路圖,其用電器往往不會超過兩個,即便有三個也會透過多個開關的閉合使電路中只有三個用電器處於工作狀態,因此,這類題最容易!
最容易的地方之一:就是“並聯電路中的電壓表的示數總是等於電源電壓,大小不變!”,當然,此結論僅僅限於初中物理電路圖中只有兩個用電器在工作的情況!如果是真正涉及到三個甚至更多用電器,那此結論就不適用了!尤其是以後學習高中物理知識時,就更得慎用了。
另外,最容易的地方之二:就是並聯電路中,總有一條支路,一般是定值電阻,其相關的所有電學物理量大小都不變,比如電流、電壓、電阻、電功、電能、電功率、電熱等,都不會發生改變,其主要原因是,並聯電路中的兩個用電器兩端的電壓一直等於電源電壓!所以電壓不變!而其電阻又不變,根據電學公式可以推出其餘所有物理量均不變!也就是說,發生變化的只有滑動變阻器所在的這一條支路!
正是基於以上最容易的兩點,所以此類題就變得無比簡單了!這種電路總是“以(一條支路的)不變應(另外一條支路的)萬變”的!
透過以上總結歸納圖,我們可以看出,關於滑動變阻器,最重要的是掌握其原理,並且做到仔細認真分析,切不可馬虎走眼,必定可以做到萬無一失。
全部初中物理電學知識歸納、易錯題總結、重難點歸納,盡在專欄“一週精通電學!輕鬆中考!”
更多、更重要的中考物理易錯題、常錯題、常用必考結論歸納、重難點總結,盡在專欄“八套中考物理錯題集!學霸精品!”
中學生朋友們,養成同類題歸納總結的習慣吧,為了美好的未來,加油!
