通常在我們的認知中,車輛是在擰鑰匙或者按下啟動按鈕後啟動的,但是實際上車輛中的大部分ECU在你按下解鎖和開車門的時候已經起來,等候工作。
那車輛中的電控單元是怎麼被喚醒,以及新能源車中最重要高壓系統是怎麼上下電的呢?下面來看看。
01
整車上下電簡介
雖然控制單元可以IG ON、網路或者其他方式喚醒,不過就目前車輛上的ECU而言,大多數是採用網路喚醒,因為整車上有八九十個ECU,採用硬線控制會使總成本和重量都增加,而且透過網路控制更加靈活。
當鑰匙按下解鎖鍵或開啟車門或按下啟動鍵時,喚醒訊號透過閘道器轉發至整車控制器(VCU),並將其喚醒,VCU喚醒後控制低壓繼電器盒,使其他ECU上電,並透過傳送網路管理將其ECU喚醒,ECU啟動並完成自檢後,如果沒有問題,則可以正常工作了,然後在上高壓電(後面會講)。
在低壓下電過程中,當啟動鍵切換到OFF檔,首先進行將斷開高壓供電,車輛各ECU開始陸陸續續停髮網絡管理報文,然後停發應用報文,進入休眠下電流程,最後控制電源管理模組,斷開供電。
另外在車輛休眠時,大部分ECU的低壓常電都是透過低壓繼電器盒斷開的,保證車輛靜置時暗電流小,能量消耗最低,儘量延長低壓蓄電池虧電時間,因為在車輛靜置時,低壓蓄電池電量不能透過高壓動力電池進行補充。不過也有些ECU在靜置時需要定期執行,比如BMS就需要定期喚醒檢查高壓動力電池的狀態。
02
高壓系統上下電邏輯
前面提到了高壓系統(如圖1所示)的上下電,在純電車中,這是很重要的一環,首先高壓存在安全問題,另外如果高壓無法上電,車輛是無法開動的,類似於傳統車上,發動機沒有啟動,車輛動不了一樣。
圖1 高壓系統電氣圖(來源知網)
高壓上下電的上層控制單元是VCU,它負責各個子系統的協調,以及整車執行狀態的管理。除了管理高壓上下電,也負責根據加速踏板、檔位、制動踏板等駕駛員的操作意圖和動力電池的電量,計算出所需的電機輸出扭矩等引數,從而保障車輛的正常形式,另外也根據動力電池的電量、電池溫度以及行車制動來實現不同等級的能量回收。
高壓上下電需要滿足的原則:
1、避免車輛出現非預期的加速、減速、轉向等動作;
2、應避免因高壓故障引起人員傷亡及裝置損壞;
3、滿足高壓上下電效能要求;
首先高壓上電功能需求主要包括:鑰匙上電、直流/交流充電、遠端控制(例如遠端開啟空調),這三種場景僅僅是喚醒的方式不一樣,高壓上電的邏輯和時序是差不多的。對於整個上電過程,透過會有時間要求,比如要求1s內區域網內各ECU(通常包括VCU、DCDC、DCU、BMS等)應完成上電流程,並進入工作模式。
在上電流程中,首先是VCU被喚醒(鑰匙喚醒、網路喚醒、或者充電cc訊號硬線喚醒),啟動後傳送請求閉合HVIL迴路使能線和必要的12V低壓繼電器的CAN報文,同時監控HVIL迴路狀態,然後DCU、DC/DC、BMS被喚醒(VCU傳送的網路管理報文或者IG ON訊號喚醒)並進行自檢,監控HVIL迴路狀態,對於BMS來說還需計算絕緣阻值,確認絕緣是否正常,無故障後進入待機模式(standby狀態)。
隨後VCU請求BMS閉合主繼電器,BMS則先後閉合主負繼電器和預充繼電器,當檢測到母線電壓達到閾值後,判斷預充電成功,然後閉合主正繼電器,並斷開預充繼電器,到這則高壓上電完成,在VCU請求BMS閉合主繼電器時,同時也會請求DCU、DC/DC進入工作模式,時序圖如圖2所示。
為什麼要預充呢?對於低壓來說,例如平時用的電池或者是12V低壓蓄電池,是不需要開關,直接拔電池不會有什麼風險。但對高壓而言,直接接電池是不行的,有可能會產生較大的衝擊,燒壞功率器件。
預充是將預充電阻串聯到高壓回路中,由預充電阻分掉一部分電壓,然後,隨著各ECU內的電容充電上來,等到電壓上升到某一閾值,主正繼電器閉合,這樣預充迴路就完成了它的工作了,如圖1。
圖2 高壓正常上電時序(來源知網)
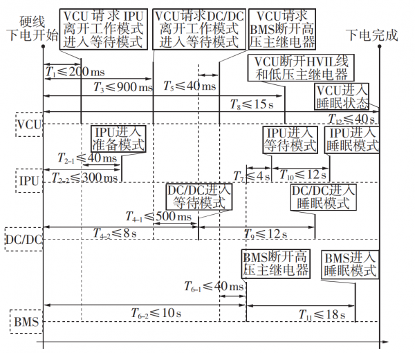
在正常下電流程中,當檢測到鑰匙訊號、硬線訊號關閉或網路喚醒訊號停發,VCU立即請求DCU離開工作模式,並且功率器件迅速降低功率,隨後VCU請求DC/DC離開工作模式,然後VCU在請求BMS斷開繼高壓繼電器,BMS完成響應後,VCU斷開HVIL迴路和低壓繼電器,各節點進入下電休眠流程,如圖3所示。
圖3 高壓正常下點(來源知網)
在正常上電狀態下,如果出現絕緣阻值低於閾值、高壓互鎖斷開、IGBT過流等嚴重故障時,VCU會進行緊急下高壓電流程,首先VCU請求DC/DC脫離工作模式,DCU進入failure模式,隨後VCU請求BMS斷開高壓繼電器,並且斷開HVIL迴路,隨後 VCU 請求 IPU 進入緊急放電模式, DCU在規定時間內完成餘電洩放, 若鑰匙為關閉狀態,則各節點進入休眠流程,如圖4所示。
圖4 高壓緊急下點(來源知網)
03
特斯拉的上下電
特斯拉的高壓系統圖如圖5所示,有個不一樣的點,特斯拉的高壓系統沒有預充迴路,那他是怎麼上高壓的呢?
圖5 特斯拉高壓系統簡圖 (來源知乎daijun211)
特斯拉把預充迴路取消了,把這個功能整合到DC/DC中了。高壓上電過程中,DCDC將低壓端連線的12V蓄電池升壓為高壓,給各高壓部件內部的電容進行充電,如圖6所示。
圖6 DC/DC反向升壓(來源知乎daijun211)
具體步驟如下:
1,閉合主負繼電器;
2,DCDC開始升壓,AB點的電壓上升到一定的值;
3,閉合主正繼電器;
4,高壓回路完成,電池輸出高壓給DCDC,DCDC正向工作給12V低壓蓄電池充電。——上高壓完成。
這種設計對12V低壓蓄電池有較高的要求,需要其支援瞬間的高功率輸出。
雖然這種反向輸出並不是新東西,但是整合用於汽車中的高壓上電邏輯,還是很新的。不得不說特斯拉的造車思路跟大家都不一樣,很多東西值得借鑑學習。
